HTG2.club

ขอความรู้เรื่องการจัดวงจรหลอด ปรี ด้วยครับ

0 สมาชิก และ 1 บุคคลทั่วไป กำลังดูหัวข้อนี้

ออฟไลน์ krupohn

  • Super Star
  • *
    • กระทู้: 1,770
    • เพศ:ชาย
  • ฟังเพลงร็อค ในห้องเล็ก
ถามพี่ karin ด้วยคนครับ  วงจรground grid เราจะเอามาขยายเป็น buffer ของ หัวเข็ม MC low ได้มั้ยครับ


ออฟไลน์ แซม

  • Super Star
  • *
    • กระทู้: 1,185
    • เพศ:ชาย
  • 'จอมยุทธกินบะหมี่'
:drive1
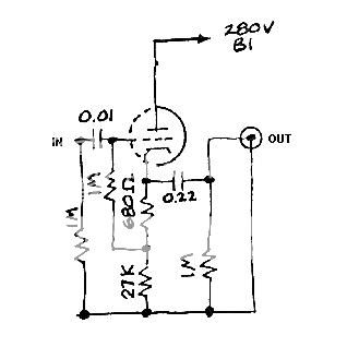
 พี่ ๆ ปรมาจารย์ ทุกท่านครับ รบกวน วิเคราะห์ / วิจารณ์ วงจรแบบนี้หน่อยครับ
ทำงานแบบไหน ดียังไง ดังไหม ว่าจะทำ ครับ มีเวลาว่างนิดหน่อย ตั้งใจจะทำ ตั้งแต่ปีที่แล้ว
กะว่า ตรุษจีน น่าจะมีเวลานิดหน่อย


หน้าตาเหมือนวงจร split phase ครับ แต่บอกไม่ได้เหมือนกันว่าต่อจริงๆแล้วออกมาเป็นยังไง  :D

ทาง -out น่าจะมีไฟ + ออกมา 4.44V ป้อนเข้าแอมป์ ระวังลำโพงพัง โดยเฉพาะพวก แอมป์โซลิดแบบ direct coupling  :cold
http://www.htg2.net/index.php?topic=16726.0

ชนใดไร้รักสมัครสมาน จะทำการสิ่งใดก็ไร้ผล


ออฟไลน์ Karin Preeda

  • Superstar..
  • ***
    • กระทู้: 3,060
:drive1
 พี่ ๆ ปรมาจารย์ ทุกท่านครับ รบกวน วิเคราะห์ / วิจารณ์ วงจรแบบนี้หน่อยครับ
ทำงานแบบไหน ดียังไง ดังไหม ว่าจะทำ ครับ มีเวลาว่างนิดหน่อย ตั้งใจจะทำ ตั้งแต่ปีที่แล้ว
กะว่า ตรุษจีน น่าจะมีเวลานิดหน่อย


หน้าตาเหมือนวงจร split phase ครับ แต่บอกไม่ได้เหมือนกันว่าต่อจริงๆแล้วออกมาเป็นยังไง  :D


ออฟไลน์ Karin Preeda

  • Superstar..
  • ***
    • กระทู้: 3,060
output กลับ phase ครับ ถ้าไม่ต้องการให้กลับ phase ก็มีสองวิธี วิธีแรกคือกลับ phase จากหัวเข็มเลย ถ้า ground ของหัวเข็มไม่ได้ต่อกับ body ของมัน อีกวิธีคือใช้ output transformer พวก line transformer ทั้งหลายส่วนมากจะใช้ได้ครับ

ถ้าอยากจะทำแบบขี่ช้างจับตั๊กแตน  แบบว่าทำไว้เป็นเครื่องครู
เอาวงจรที่ออกออกแบบไว้แล้ว และยอมรับกับทั่วไปว่าดี
อย่างเช่นปรีโฟโนของมารานซ์ M-7 เอามาดัดแปลง โดยจัด cathode follower
ให้เกนขยายลดลงมาก ๆ ให้เหลือ สเตจหน้าอัตรา 1:3  ขยายสัญญาณได้ 900mV. น่าจะมากเพียงพอส่งไปภาค Line ได้
ส่วนสเตจหลังอัตราเป็น 1:1 เพื่อกลับเฟส  วงจรนี้มีภาคบัฟเฟอร์ด้วย   และที่สำคัญมีวงจร RIAA มาให้ด้วย

การจัดค่า cathode follower  R ที่ต่อลงกราวด์ ค่ามากเกนขยายน้อย  ค่าน้อยเกนขยายมาก
ผมเข้าใจถูกต้องหรือเปล่าครับ

cathode follower มี gain ประมาณ 0.8-0.9 คงทำให้มันลดสัญญาณมากๆไม่ได้ครับ
ถ้าจะทำจริงๆ แนะนำให้ใช้วงจรที่มี 2 stage แบบที่มี passive RIAA ขั้นกลางครับ แต่ภาคขยายด้านหลังใช้หลอด low mu อย่างพวก 12B4 น่าจะได้ gain ไม่เยอะนัก
ผมเคยเห็นวงจร RIAA ของคู่มือหลอดของ RCA ใช้หลอด 12AX7 สองหลอดที่มี passive RIAA ตรงกลาง วงจรนี้น่าจะเอามาดัดแปลงได้ครับ


ออฟไลน์ ปาท่องโก๋

  • รักหลอด ตอนแ่ก่
  • Superstar..
  • ***
    • กระทู้: 3,127
    • เพศ:ชาย
 :drive1
 พี่ ๆ ปรมาจารย์ ทุกท่านครับ รบกวน วิเคราะห์ / วิจารณ์ วงจรแบบนี้หน่อยครับ
ทำงานแบบไหน ดียังไง ดังไหม ว่าจะทำ ครับ มีเวลาว่างนิดหน่อย ตั้งใจจะทำ ตั้งแต่ปีที่แล้ว
กะว่า ตรุษจีน น่าจะมีเวลานิดหน่อย

ไม่มีอะไรที่ทำไม่ได้ แต่ที่ทำไม่ได้ เพราะไม่ทำ
http://www.htg2.net/index.php?topic=34935


ออฟไลน์ DS

  • มุ่งมั่น ทำให้มัน.....มีทั้งแสงและเสียง
  • Super Star.
  • **
    • กระทู้: 2,599
    • เพศ:ชาย
output กลับ phase ครับ ถ้าไม่ต้องการให้กลับ phase ก็มีสองวิธี วิธีแรกคือกลับ phase จากหัวเข็มเลย ถ้า ground ของหัวเข็มไม่ได้ต่อกับ body ของมัน อีกวิธีคือใช้ output transformer พวก line transformer ทั้งหลายส่วนมากจะใช้ได้ครับ

ถ้าอยากจะทำแบบขี่ช้างจับตั๊กแตน  แบบว่าทำไว้เป็นเครื่องครู
เอาวงจรที่ออกออกแบบไว้แล้ว และยอมรับกับทั่วไปว่าดี
อย่างเช่นปรีโฟโนของมารานซ์ M-7 เอามาดัดแปลง โดยจัด cathode follower
ให้เกนขยายลดลงมาก ๆ ให้เหลือ สเตจหน้าอัตรา 1:3  ขยายสัญญาณได้ 900mV. น่าจะมากเพียงพอส่งไปภาค Line ได้
ส่วนสเตจหลังอัตราเป็น 1:1 เพื่อกลับเฟส  วงจรนี้มีภาคบัฟเฟอร์ด้วย   และที่สำคัญมีวงจร RIAA มาให้ด้วย

การจัดค่า cathode follower  R ที่ต่อลงกราวด์ ค่ามากเกนขยายน้อย  ค่าน้อยเกนขยายมาก
ผมเข้าใจถูกต้องหรือเปล่าครับ
« แก้ไขครั้งสุดท้าย: 06 กุมภาพันธ์, 2013, 06:46:27 pm โดย DS »


ออฟไลน์ Karin Preeda

  • Superstar..
  • ***
    • กระทู้: 3,060
output กลับ phase ครับ ถ้าไม่ต้องการให้กลับ phase ก็มีสองวิธี วิธีแรกคือกลับ phase จากหัวเข็มเลย ถ้า ground ของหัวเข็มไม่ได้ต่อกับ body ของมัน อีกวิธีคือใช้ output transformer พวก line transformer ทั้งหลายส่วนมากจะใช้ได้ครับ


ออฟไลน์ DS

  • มุ่งมั่น ทำให้มัน.....มีทั้งแสงและเสียง
  • Super Star.
  • **
    • กระทู้: 2,599
    • เพศ:ชาย
ขอถามต่อเนื่องเรื่องอิมพีแดนด้วยครับ
ตามรูปวงจรที่ 2 และ 3 ที่ Output เห็นมี R ค่า 1 เมกกะโอมห์ต่อคร่อมอยู่ด้วยนั้น เป็นเรื่องของอิมพีแดนใช่หรือไม่ครับ

ใส่ไว้เพื่ออะไร  และถ้าไม่ใส่จะมีผลเสียอย่างไรบ้างครับ

จริงๆแบบที่หนึ่งบางคนก็ใส่ไว้ครับ เอาไว้ให้ C คายประจุเวลาปิดเครื่อง เช่นเดียวกับตอนเปิดก็เอาไว้ให้เป็น load เพื่อให้ C มัน charge ประจุ เป็นเรื่องของ safety ครับ

ขอบคุณมากครับ
ผมกำลังมองหาวงจรปรีหลอด แบบเกนขยายไม่ต้องแยะมาก ประมาณ 5-8 เท่า
จะเอาไปทำปรีโฟโน สำหรับหัวเข็มแบบ Ceramic ซึ่งมีสัญญาณเอ๊าท์พุทสูงมาก ประมาณ 300mV.
สามารถต่อเข้าช่อง CD หรือ Aux In ได้เลย  แต่เสียงที่ได้มันจะหยาบ และแข็งมาก
เลยอยากจะทำปรีโฟโน เพื่อใช้งานสำหรับหัวเข็มแบบโบราณแบบนี้ครับ

วงจรแบบที่สาม Input Imperdace ต้องต่ำมากคงไม่เหมาะ
วงจรแบบที่สอง เป็นบัฟเฟอร์ ไม่ใช้ปรี ก็คงไม่ได้

เหลือวงจรแบบที่ 1 น่าจะพอเหมาะ   และขอถามต่ออีกว่าถ้าทำแค่สเตจเดียวแบบนี้ จะมีผลกับเรื่องเฟส หรือเปล่าครับ



ออฟไลน์ Karin Preeda

  • Superstar..
  • ***
    • กระทู้: 3,060
ขอถามต่อเนื่องเรื่องอิมพีแดนด้วยครับ
ตามรูปวงจรที่ 2 และ 3 ที่ Output เห็นมี R ค่า 1 เมกกะโอมห์ต่อคร่อมอยู่ด้วยนั้น เป็นเรื่องของอิมพีแดนใช่หรือไม่ครับ

ใส่ไว้เพื่ออะไร  และถ้าไม่ใส่จะมีผลเสียอย่างไรบ้างครับ

จริงๆแบบที่หนึ่งบางคนก็ใส่ไว้ครับ เอาไว้ให้ C คายประจุเวลาปิดเครื่อง เช่นเดียวกับตอนเปิดก็เอาไว้ให้เป็น load เพื่อให้ C มัน charge ประจุ เป็นเรื่องของ safety ครับ


ออฟไลน์ Era

  • *****
    • กระทู้: 975
    • เพศ:ชาย
ไม่น่าจะได้ครับ เพราะ input impedance ยังต่ำไม่พอครับ
ใช้อาร์อีกหนึ่งตัวต่อให้เป็นโหลดก่อนไปเลยครับ รับรองต่ำลงแน่ครับ
ข้อมูลติดต่อครับ
http://www.htg2.net/index.php?topic=90857.0


ออฟไลน์ DS

  • มุ่งมั่น ทำให้มัน.....มีทั้งแสงและเสียง
  • Super Star.
  • **
    • กระทู้: 2,599
    • เพศ:ชาย
ขอถามต่อเนื่องเรื่องอิมพีแดนด้วยครับ
ตามรูปวงจรที่ 2 และ 3 ที่ Output เห็นมี R ค่า 1 เมกกะโอมห์ต่อคร่อมอยู่ด้วยนั้น เป็นเรื่องของอิมพีแดนใช่หรือไม่ครับ

ใส่ไว้เพื่ออะไร  และถ้าไม่ใส่จะมีผลเสียอย่างไรบ้างครับ


ออฟไลน์ Karin Preeda

  • Superstar..
  • ***
    • กระทู้: 3,060

ออฟไลน์ มุมคนรักหลอด

  • Superstar..
  • ***
    • กระทู้: 3,004
    • เพศ:ชาย
1. อัตราขยายน้อยกว่าแบบที่ 1 นิดหน่อยครับ
2. ใช้วิธีคำนวนแบบ plate follower ธรรมดาได้เลยครับ
3. เทียบกับแบบที่ 1 แล้วสัญญาณรบกวนควรจะน้อยกว่าครับ

อย่างที่คุณ Era บอกครับ input impedance ของ ground grid มันต่ำ ดังนั้นควรมี buffer อยู่ข้างหน้ามันอีกทีนึงครับ

   ในกรณ๊การจัดวงจรแบบ ground grid เอามาเป็น IV ของ DAC โดยตรงได้หรือไม่ครับ และ สเตจต่อไปต้องต่อบั๊ปเฟอร์ หรือ เปล่า ครับ


ออฟไลน์ Karin Preeda

  • Superstar..
  • ***
    • กระทู้: 3,060
1. อัตราขยายน้อยกว่าแบบที่ 1 นิดหน่อยครับ
2. ใช้วิธีคำนวนแบบ plate follower ธรรมดาได้เลยครับ
3. เทียบกับแบบที่ 1 แล้วสัญญาณรบกวนควรจะน้อยกว่าครับ

อย่างที่คุณ Era บอกครับ input impedance ของ ground grid มันต่ำ ดังนั้นควรมี buffer อยู่ข้างหน้ามันอีกทีนึงครับ


ออฟไลน์ Era

  • *****
    • กระทู้: 975
    • เพศ:ชาย
วงจรที่จะขับวงจรกราวน์กริดได้output impedanceต้องต่ำนะครับ
ข้อมูลติดต่อครับ
http://www.htg2.net/index.php?topic=90857.0


ออฟไลน์ DS

  • มุ่งมั่น ทำให้มัน.....มีทั้งแสงและเสียง
  • Super Star.
  • **
    • กระทู้: 2,599
    • เพศ:ชาย
ขอบคุณมากครับ
เริ่มสนใจวงจรแบบที่สาม ที่ป้องกันการรบกวนจากคลื่นวิทยุได้
ขอสอบถามเพิ่มเติมอีกหน่อยครับ

1.  การจัดวงจรแบบที่สาม เรื่องเกนขยาย หรืออัตราขยาย เท่ากับแบบที่หนี่ง หรือเปล่าครับ
2.  สามารถกำหนดอัดราขยายได้หรือไม่ครับ และต้องทำอย่างไรครับ
3.  จะต่อวงจรแบบนี้มีความเสียงกับเรื่องเสียงรบกวนเช่นฮัม หรือจี่ มากน้อยเพียงใดครับ



ออฟไลน์ Karin Preeda

  • Superstar..
  • ***
    • กระทู้: 3,060
วงจร Ground grid ในรูปสุดท้ายใช้กันมากในวงจรพวก RF ครับ การต่อ grid ลง ground จะช่วยป้องกันคลื่น RF เข้ามารบกวน grid ของหลอด แต่ข้อเสียของมันคือ input impedance ของมันต่ำมาก ซึ่งอุปกรณ์ที่จะมาต่อกับมันจะต้องมี output impedance สูงหน่อย

มีผู้ผลิต preamp ที่ต่อวงจรแบบ ground grid เหมือนกันครับ แต่เค้าใส่ buffer เป็น cathode follower ไว้ข้างหน้าสุดให้วงจรมี input impedance สูง และ output จาก buffer ก็ต่อกับ ground grid amplifier อีกที


ออฟไลน์ DS

  • มุ่งมั่น ทำให้มัน.....มีทั้งแสงและเสียง
  • Super Star.
  • **
    • กระทู้: 2,599
    • เพศ:ชาย
แรก ๆ ทำไปตามวงจร เสร็จก็ฟังเสียง ส่งให้เจ้าของเครื่องไป
ทั้งปรีแอมป์ ปรีโฟโน  ช่วงหลัง ๆ เริ่มจำวงจรได้ ก็เลยเกิดคำถามในใจ
เพราะยิ่งดู ยิ่งสงสัย และอยากรู้ที่มาที่ไป ว่าการออกแบบวงจรหลอดภาคปรี พวก 12AX7 12AU7 6922 ฯลฯ
ทำไมต้องมีหลายแบบ และแต่ละแบบมีข้อดี ข้อเสียอย่างไรบ้างครับ
 
แบบแรกนี้เห็นเป็นแบบปกติทั่ว ๆ ไป


แบบนี้เข้าใจว่าน่าจะเป็นวงจรบัฟเฟอร์


ที่สงสัยมากกับวงจรนี้เลยครับ  การออกแบบโดยเอาขากริดลงกราวด์ กับอินพุทที่คาโทด
ดูมันแปลก  อยากรู้เหตุผลหรือที่มาที่ไปว่าทำไมต้องเป็นแบบนี้ครับ


ขอบคุณมากครับ