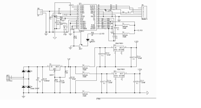
ak4395 เป็นอีกตัวนึงที่เมืองนอกพูดถึงกันมากครับ ว่ากันว่าเสียงดีระดับแถวหน้าอยู่เหมือนกัน

กำลังจะถามอยู่เหมือนกันว่าพี่ tewmax ซื้อที่ไหน ตอนนี้คงไม่ต้องถามแล้วมั้งครับ

ส่วนตัวก็มองตัวนี้มานานแล้วเหมือนกัน ถ้าจำไม่ผิดตัวนี้การทำงานเป็นแบบ delta-zigma แต่มันตัวเล็กเหลือเกิน

เลยไม่มีความคืบหน้าครับ

เรื่องพ่อค้าซื้อไปตุนไว้ผมว่าไม่น่าใช่หรอกครับ demand ในเวปเรามันไม่ถึงขนาดนั้น แต่ถ้าไปขายเมืองนอกด้วยก็ไม่แน่ แต่ก็เข้าใจว่า chip ตัวนี้มันยังมีจำหน่ายอยู่และราคาไม่แพง และก็ไม่ได้ดังมากขนาด tda1541a ซึ่งก็ไม่น่าจะเป็นสาเหตุ นอกจากเค้าอาจจะซื้อไปทำโปรเจ็กอะไรของเค้าขายเอง อันนี้ก็อาจเป็นได้ครับ
![yes Y]](https://www.htg2.club/Smileys/default/57.gif)